
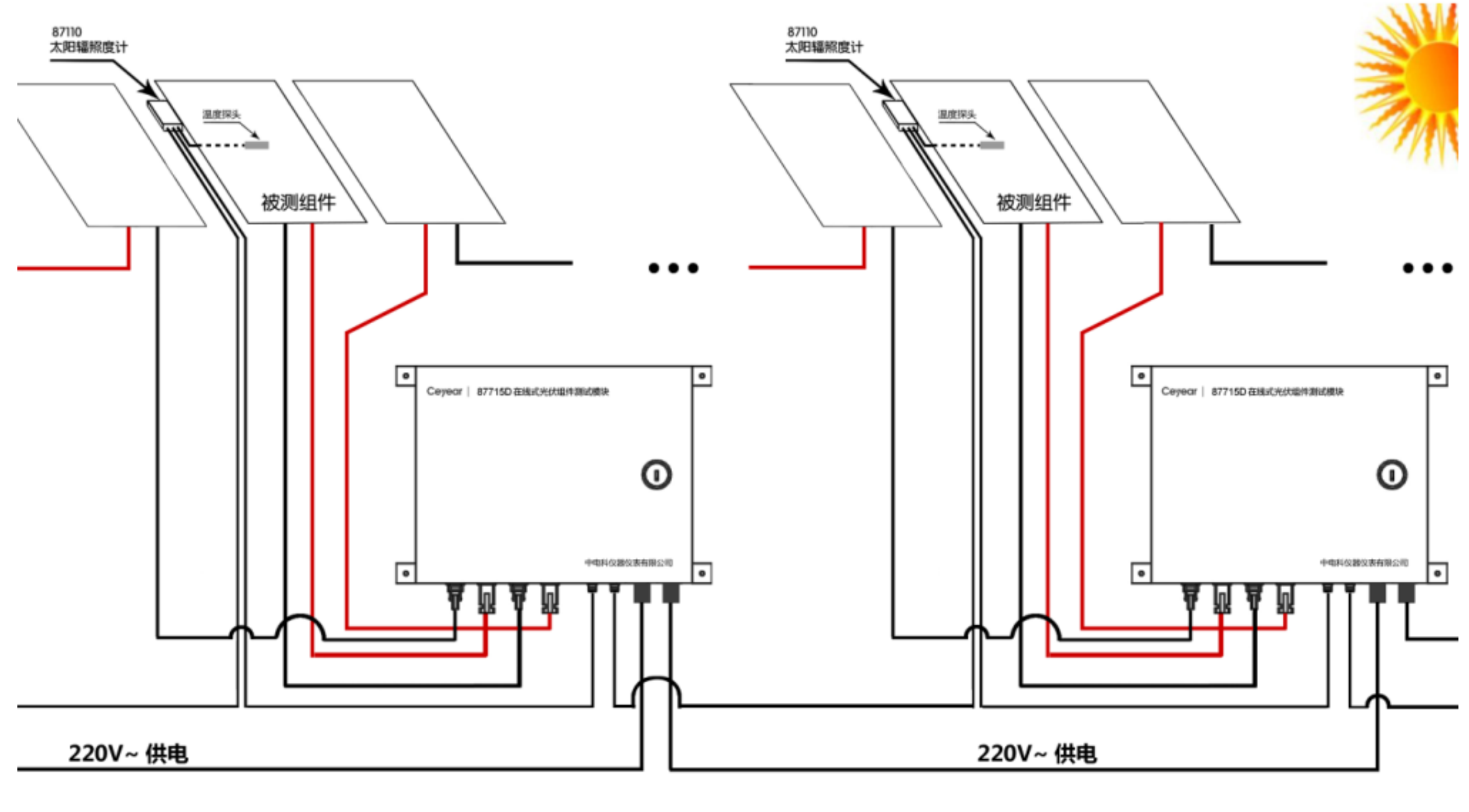
光伏實證電站IV曲線監測PV39主要用于戶外對光伏組件伏安特性的在線式監測,系統主要由87715D在線式光伏組件測試模塊組成,模塊內部采用切換開關將被測組件隔離進行快速IV測試,測試完畢重新串聯被隔離組件,測試過程不影響組串正常發電。
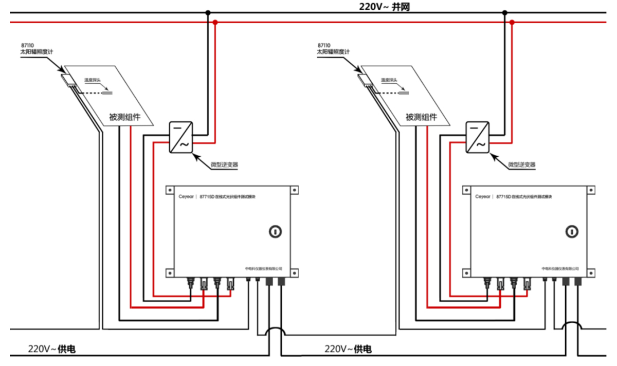
光伏實證電站IV曲線監測PV39可通過RS485總線組網形成系統,既可選擇光伏陣列中多個組件進行同步測試也可指定單個組件進行單獨測試。在需要記錄組件輻照度和溫度時,產品可同87110B太陽輻照度計一同組網并通過上位機實現對IV測試數據、輻照度和溫度的同步采集。測試模塊小巧便攜,具備防水防塵功能,方便懸掛于被測組件支架上,用戶可根據需要自由選擇測試模塊數量,是戶外光伏電站現場對單個組件在線IV測試或多個組件性能比對測試的較佳選擇。
檢測范圍detection range
- IV曲線測試:系統能夠測量光伏組件在不同電壓下的輸出電流,并繪制出I-V曲線,用于分析組件的性能。
- 性能評估:基于IV曲線,系統可以評估光伏組件的關鍵性能參數,如開路電壓(Voc)、短路電流(Isc)、最大功率點(MPP)以及填充因子(FF)等。
- 故障檢測:通過比較實際測量的IV曲線與理論曲線或歷史數據,系統可以快速識別光伏組件中可能存在的故障,如電池片斷裂、連接線損壞或污染等。
- 質量控制:在光伏組件的生產過程中,使用該系統可以確保每個組件的性能符合標準和規定要求,提高產品質量并確保產品達到認證標準。
性能優勢advantage
- 滿足戶外光伏電站現場對組件伏安特性的在線測試。
- 可自由選擇測試模塊數量進行組網實現對多個組件的同步測試。
- 支持87110B太陽輻照度計一同組網,實現對被測組件輻照度、溫度的監測。
- 具備組件發電量測試功能。
應用案例Application Cases
用于光伏組串中任意光伏組件的在線發電條件下的性能測試。

用于連接微逆發電的光伏組件的性能測試。

萊科斯(LAILX)致力于光伏檢測設備的研發與生產,現有設備包括 EL檢測系列,便攜式EL檢測儀,組串式EL檢測儀,太陽能便攜式EL測試儀,IV功率測試系列,便攜式IV測試儀,電能質量分析儀,等相關光伏電站檢測設備與光伏產線實驗室檢測設備。